Applications
Agriculture, Delivery, Defence, Surveillance, Mapping, Cinematography
Description
DM3515 is a highly efficient, compact small drone motor. It has a KV rating of 800 KV and a maximum thrust of 3780 gf making it perfect for small to medium-sized drones.
It has an operating voltage of 4S and Weighing only 210g which making an ideal choice for drones that require a strong yet lightweight engine. This drone motor is also built to be durable and reliable, ensuring that it can withstand rigours conditions.
Technical Data
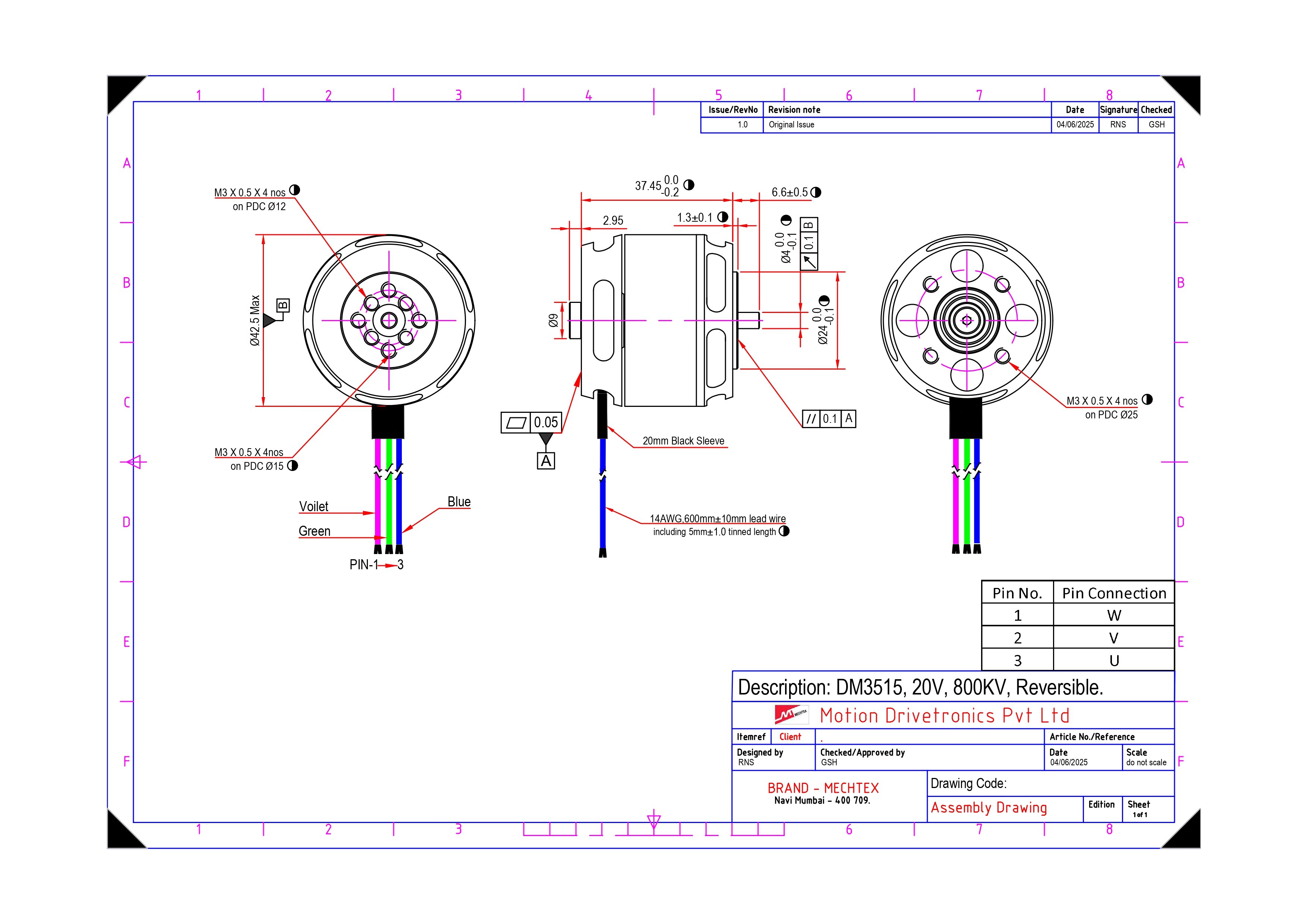
| KV Rating | 800 |
| Voltage Range | 4S |
| Configuration | 12N-14P |
| Dimension (OD x Height) (mm) | 42.5 x 37.5 |
| Weight (g) | 210 |
| Propeller Size | 14 x 4.8 |
| Max Thrust (gf) | 3780 |
| Max Continuous Power (180S) (W) | 850 |
| Peak Current (A) | 50 |
Dimensional Drawing
